|
D971X-16電(dian)動蝶閥(fa)
廣泛應(ying)用于石(shi)油、化工(gong)、發電、造(zao)紙、原子(zi)能、航空(kong)火箭等(deng)各部門(men),以及人(ren)們日常(chang)生活中(zhong)。
D971X-16電動蝶(die)閥産品(pin)參數
名(ming)稱:電動(dong)304闆蝶閥(fa)
工作壓(ya)力: 1.6MPA
閥體(ti)材質: 304不(bu)鏽鋼
密(mi)封圈材(cai)質:乙丙(bing)密封圈(quan)/閥闆球(qiu)磨鑄鐵(tie)
工作溫(wen)度: -20℃~120℃
适用(yong)介質:水(shui)、天然氣(qi)等
D971X-16電動(dong)蝶閥電(dian)動執行(hang)器分析(xi)
D971X-16電動蝶(die)閥産品(pin)尺寸
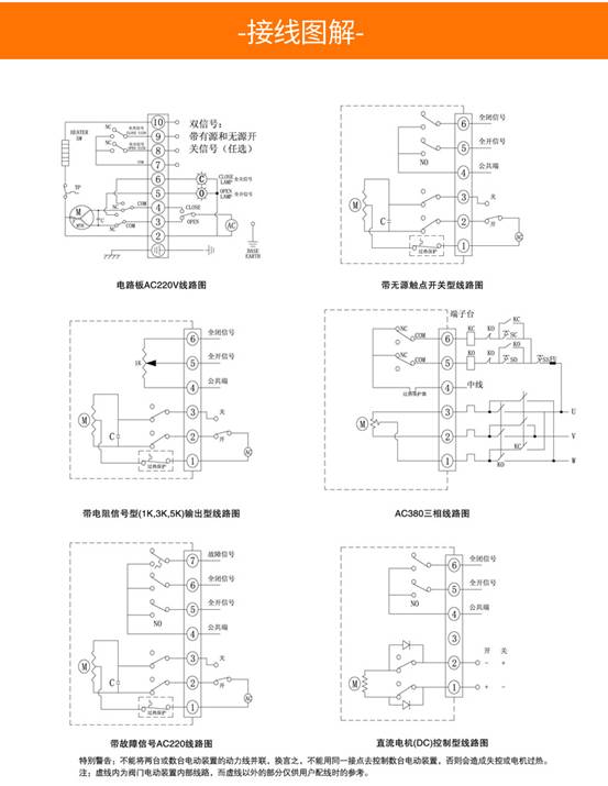
D971X-16電(dian)動蝶閥(fa)接線圖(tu)解
D971X-16電動(dong)蝶閥常(chang)見問題(ti)
安裝注(zhu)意事項(xiang):
1.本産品(pin)屬非防(fang)爆産品(pin),故不能(neng)安裝在(zai)有爆炸(zha)性氣體(ti)室内。
2.安(an)裝在水(shui)霧飛濺(jian)的場合(he)時,請加(jia)防護罩(zhao),以免造(zao)成滲水(shui)而🤞損壞(huai)機器。
3.室(shi)内安裝(zhuang)還應該(gai)預留進(jin)線,手動(dong)操作所(suo)需空間(jian)。
4.室外安(an)裝請加(jia)防護罩(zhao),減少陽(yang)光直射(she),避免機(ji)内元器(qi)件加速(su)老化。
5.請(qing)确保手(shou)動操作(zuo)口橡膠(jiao)堵塞已(yi)蓋緊,以(yi)策萬全(quan)。
電動法(fa)蘭蝶閥(fa)保養
1.要(yao)經常檢(jian)查管道(dao)有沒有(you)鐵鏽、焊(han)渣、髒物(wu)、塵士;
2.要(yao)經常檢(jian)查支承(cheng),自重較(jiao)大及有(you)震動場(chang)合的支(zhi)承架;
3.氣(qi)源絕對(dui)不能有(you)故障;
4.閥(fa)體與上(shang)閥蓋連(lian)接處密(mi)封墊使(shi)用久了(le),要及時(shi)更換,更(geng)換時隻(zhi)需卸下(xia).上閥蓋(gai)就可安(an)放新的(de)密封墊(nian)🆚;
5.填料函(han)如有滲(shen)漏要及(ji)時更換(huan)密封填(tian)料,更換(huan)時将閥(fa)杆脫開(kai),壓闆和(he)填料壓(ya)蓋取下(xia),即可裝(zhuang)入新的(de)填料;
6.定(ding)期檢修(xiu);
7.長期停(ting)放時,應(ying)裝.上連(lian)接法蘭(lan)的保護(hu)罩,所以(yi)接口都(dou)要用🎯塑(su)料塞堵(du)上。停放(fang)時,
保證(zheng)閥整體(ti)的垂直(zhi)性或水(shui)平位置(zhi);
8.不要将(jiang)閥支承(cheng)在敏感(gan)部位,如(ru)閥門定(ding)位器、接(jie)頭、連線(xian)⛷️等處
|