|
型(xing)号
|
測(ce)量範(fan)圍
|
接(jie)口
螺(luo)紋
|
精(jing)度
|
外(wai)形尺(chi)寸
|
|
ml/min(液(ye)體)
|
L/min(氣(qi)體)
|
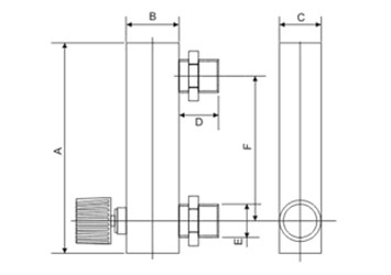
A
|
B
|
C
|
D
|
E
|
F
|
|
SKLZBY-4MZT
|
6~60
8~80
40~400
|
0.05~0.5 0.1~1
0.2~2 0.25~2.5
1~4 0.6~6 1~5 1~10 1~12
|
快(kuai)插
連(lian)接
|
4%
|
94
|
27
|
21
|
14
|
14
|
70
|
|
SKLZBY-6MZT
|
6~60
16~160
10~70GPH 25~250
80~400
100~500
100~600 200~800
100~1000
|
0.1~0.8 0.1~1
0.1~1.5 0.3~3
0.4~4 0.5~8
1~5 1~12 2~10
2~20 3~15 3~30
4~20 5~25 6~30
10~60 10~70
10~100
0.05~0.25m³/h
0.04~0.4m³/h
|
内(nei)G1/4
|
102
|
30
|
25
|
20
|
M18*1.5
|
77
|
|
SKLZBY-8MZT
|
2.5~25LPH
5~45LPH
6~60LPH
|
0.16~1.6m³/h
0.1~1m³/h
0.2~2m³/h
|
110
|
25
|
25
|
20
|
M18*1.5
|
80
|